Isolated ±10V, 4-20mA ADC
- Remove this product from my favorite's list.
- Add this product to my list of favorites.
- Send to a friend
Isolated ±10V, 4-20mA ADC
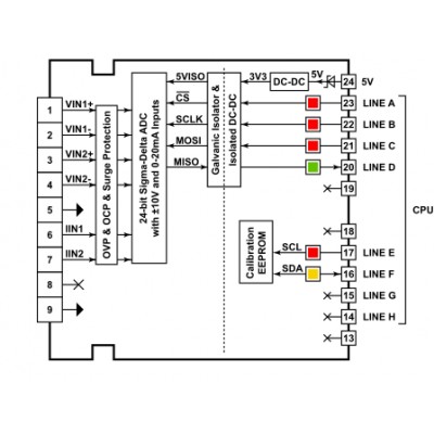
This Tibbit is an isolated 24-bit ±10V and 4–20mA Sigma-Delta (Σ-Δ) analog-to-digital converter (ADC). It offers two differential ±10V channels or four 0–10V single-ended channels, as well as two single-ended current-sinking channels.
By buying this product you can collect up to 55 loyalty points. Your cart will total 55 points that can be converted into a voucher of 5,50 lei.






























No customer comments for the moment.