Two 24V PNP isolated open collector outputs
- Remove this product from my favorite's list.
- Add this product to my list of favorites.
- Send to a friend
Two 24V PNP isolated open collector outputs
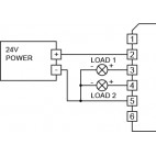
Two 24V PNP isolated open collector outputs.
By buying this product you can collect up to 17 loyalty points. Your cart will total 17 points that can be converted into a voucher of 1,70 lei.






























No customer comments for the moment.